Jantar или Янтарь - часы настольные, обзор и разборка
Эти часы я буквально вырвал из лап двух бомжей, которые начали их колотить, в надежде добыть из них цветные металлы... пришлось отдать им полпачки сигарет.
+ Щелкайте по фото, чтобы увеличить!
Итак, сегодня мы рассмотрим настольные часы Янтарь, или Jantar - как писалось на экспортных вариантах часов. Эти часы изготовлены в 1975 году на Орловском часовом заводе "Янтарь" - или ОЧЗ.

Данные часы используют так сказать "фирменную" концепцию Орловского завода, которая появилась еще в 50-е годы: горизонтальное основание - "брус", по центру сами часы. Разных вариаций на эту тему ОЧЗ выпускал великое множество! Здесь мы имеем основание - это деревянный брусок шириной 480 мм, фигурно вырезанный, отделанный шпоном ценных пород дерева. На передней стороне бруса черной краской нанесен орнамент. Сверху все покрыто лаком. По центру круглая выемка, куда вставлен механизм часов в пластмассовом цилиндрическом корпусе. Общие размеры часов: ширина 480 мм, высота 186 мм, глубина 80 мм.

Нижняя часть основания черного цвета, в нее по краям вклеены четыре массивные латунные или бронзовые ножки. Так же снизу когда-то была бумажная этикетка, но она уже давно отклеилась...

Ножки вклеены крепко - пассатижами еле выдернул...
Пластмассовый цилиндр, в котором располагается механизм часов, имеет диаметр 160 мм и длину 80 мм. К деревянному основанию он притянут латунными винтом и гайкой.

На передней стороне снаружи золотистый ободок из латуни - "под золото". Под ним защитное стекло диаметром 154 мм и толщиной 2 мм. Затем кольцо из черной пластмассы, ребристое и сужающееся внутри.

Ну и наконец, циферблат, он имеет деление римскими цифрами от I до XII. В верхней части нанесено название - Jantar. Ниже - значок транзистора, который используется в электрических схемах. В самом низу циферблата надпись - Made in USSR.
Стрелки - стильные, черного цвета, а секундная стрелка ровная, как стрела, серебристо-стального цвета.

Разборка часов...
На обратной стороне... здесь, увы, разрушения... и скорее всего они появились еще задолго до бомжей. Отсутствует задняя крышка, отсутствует крышка на самом механизме. Все остальное, правда, в нормальном состоянии. На заднюю сторону, выходит одна ось, на которую некогда была насажена ручка - перевод стрелок. Извлекаем механизм из внешнего корпуса. Он притянут к стальному диску.

Снимаем стрелки...


Механизм притянут латунной гайкой к стальному диску.

Латунный циферблат...
Циферблат - это латунное широкое кольцо, которое к стальному диску прикрепляется двумя стальными "гвоздиками", загнутыми изнутри.

Устройство часов...
На стальном диске остается лишь центральный круг с логотипами... это наклеенная текстурная бумага - "под дерево".

Механизм часов Янтарь...
Механизм располагается в прямоугольной пластмассовой коробке, сбоку - место под одну цилиндрическую батарейку типа "373". На обратной стороне корпуса есть разметка - шкала, для юстировки механизма.

Выкручиваем три винта и извлекаем механизм из пластмассового корпуса.

Механизм ОЧЗ Янтарь 65181...
Сам механизм, на нем выбито: ОЧЗ 65181...
В часах используется механизм "Янтарь" 65181 - механизм калибра 58х58 мм, высотой 12,3 мм, балансовый с электронно-механическим несвободным пуском, на 4 рубиновых камнях, с центральной секундной стрелкой. Средний суточный ход ±15 сек. Продолжительность хода от одного элемента "373" - один год.
Механизм 65181 основан на более раннем механизме "Янтарь" 59186. Этот новый механизм был более точным. Оба механизма выпускались параллельно, и ставились в огромное количество разных моделей часов. И не только на Орловском часовом заводе. Например, СЧЗ - Сердобский часовой завод "Маяк" (также как и ОЧЗ уничтоженный прохиндеями в 2004 году), начал выпуск часов с механизмом 65181 где-то в 1975-1976 годах. На основе этого механизма выпускались многие часы на разных заводах СССР, например в Армении - Севани 65196... ЕЧЗ или Ереванский часовой завод "Севани", вроде бы еще существует, точно не скажу, но мелькала информация, что он в собственности швейцарской компании Franck Muller...
|

|

|
|

|

|
|

|

|
|

|

|
|

Платина механизма...
|

Балансир...
|
|

Рубины в механизме - для балансира...
|
Разбираем механизм...

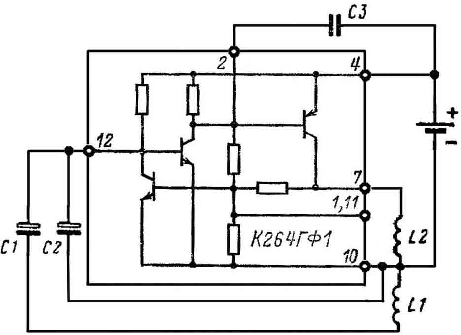
Механизм на К264ГФ1...
Блок электроники смонтирован на пластмассовом кронштейне, он очень прост: катушка индуктивности - электромагнит. Два электролитических конденсатора К50-6, один на 50 мкФ 6 вольт, другой на 10 мкФ на 10 вольт - оба изготовлены в 1975 году на ПО Диполь, город Камо, Армянская ССР (несмотря на то, что ныне их все дружно ругают, эти два конденсатора несмотря на почтенный возраст все еще в прекрасном рабочем состоянии). Микросхема К264ГФ1 - это, по сути, микросборка, состоящая из трех транзисторов и пяти резисторов - это транзисторный генератор. И конденсатор типа КЛС.

Вот схема на эти часы...
Данные настольные часы Янтарь сделаны добротно, и при своевременном и правильном уходе они работали и по сей день... А теперь несколько слов о заводе ОЧЗ.

Завод был основан в 1952 году и выпускал крупногабаритные часы - от напольных, до будильников... А в 2004 году это предприятие было выкуплено некоторыми ловкими дельцами, которые в мгновение ока обанкротили предприятие: часовое производство прекратили, выбросили на улицу тысячи людей, имущество быстро распродали, недвижимость сдали в аренду торговым центрам, увеселительным заведениям, и прочей коммерческой шушере... в общем, как и все прочее производство по всей России...
Но оставим пока - пока - в стороне эти преступления против государства, этим, я надеюсь, займутся другие люди и будет наказание (привет ГУЛАГу).
Михаил Дмитриенко, специально для PRETICH.ru
Jantar - table clock, review and disassembly
I literally wrenched these watches out of the clutches of two homeless people who started banging them, hoping to get non-ferrous metals from them ... I had to give them half a pack of cigarettes.
So, today we will look at the Yantar desk clock, or Jantar - as written on the export watch options. These watches were made in 1975 at the Orlovsky watch factory "Yantar" - or OCHZ.
So, these watches use the “branded” concept of the Oryol plant, which appeared in the 50s: the horizontal base is the “cant”, the watches themselves are in the center. Different variations on this topic OCHZ released a great many! Here we have a base - it is a wooden bar 480 mm wide, figuratively carved, finished with veneer of precious wood. There is an ornament on the front side of the timber with black paint. From above everything is varnished. In the center there is a round recess where the watch mechanism is inserted in a plastic cylindrical case. General dimensions of the clock: width 480 mm, height 186 mm, depth 80 mm.
The lower part of the base is black in color; four massive brass or bronze legs are glued at the edges. Also, there was once a paper label from below, but it has long been peeled off ...
The plastic cylinder in which the watch mechanism is located has a diameter of 160 mm and a length of 80 mm. To the wooden base, he pulled the brass screw and nut.
On the front side outside the brass golden bezel is “under gold”. Below it is a protective glass with a diameter of 154 mm and a thickness of 2 mm. Then a ring of black plastic, ribbed and tapering inside.
And finally, the dial, it has a division of Roman numerals from I to XII. In the upper part there is a name - Jantar. Below - the icon of the transistor, which is used in electrical circuits. At the very bottom of the dial there is an inscription - Made in USSR.
The hands are stylish, black, and the second hand is smooth as an arrow, silver-steel color.
On the reverse side ... here, alas, of destruction ... and most likely they appeared long before the homeless. There is no back cover, there is no cover on the mechanism itself. Everything else, however, in good condition. On the back side, there is one axis, which was once mounted on the handle - the transfer of arrows.
Remove the mechanism from the external case. He pulled to the steel disk. Here is the dial with the hands. Remove the arrows ... The mechanism is tightened with a brass nut to the steel disc. The dial is a wide brass ring, which is attached to the steel disk with two steel "studs", bent from the inside.
On the steel disk there is only a central circle with logos ... this is glued textural paper - “under the tree”. The mechanism is located in a rectangular plastic box, on the side - a place under one cylindrical battery type "373". On the reverse side of the case there is a marking - a scale for adjusting the mechanism.
Unscrew the three screws and remove the mechanism from the plastic case.
The mechanism itself, it is stamped on: ESP 65181 ... The watch uses the Yantar mechanism 65181 - a 58x58 mm caliber mechanism, 12.3 mm high, with a balance with an electronic-mechanical non-free launch, on 4 ruby stones, with a central second hand. Average daily course ± 15 sec. The duration of the stroke from one element "373" is one year.
The mechanism 65181 is based on the earlier mechanism "Yantar" 59186. This new mechanism was more accurate. Both mechanisms were produced in parallel, and put in a huge number of different models of watches. And not only at the Orlovsky Watch Factory. For example, SCHZ - Serdobsky watch factory "Mayak" (as well as ECHS destroyed by prokhindey in 2004), began producing watches with the mechanism 65181 somewhere in the years 1975-1976. Based on this mechanism, many watches were produced at various factories of the USSR, for example, in Armenia - Sevani 65196 ... ECHP or Yerevan Sevani Watch Factory, it seems, still exists, I won’t say, but the information flashed that it was owned by the Swiss company Franck Muller ...
We disassemble the mechanism ...
The electronics unit is mounted on a plastic bracket, it is very simple: the inductor is an electromagnet. Two electrolytic capacitors K50-6, one for 50 microfarads of 6 volts, the other for 10 microfarads at 10 volts - both were made in 1975 at PO Dipol, Kamo city, Armenian SSR (despite the fact that now they are all amused, condenser despite its venerable age is still in excellent working condition). Chip K264GF1 - is, in fact, a microassembly consisting of three transistors and five resistors - this is a transistor generator. And capacitor type KLS.
These Yantar table clocks are made soundly, and with timely and proper care, they have worked to this day ... And now a few words about the EFS factory.
The plant was founded in 1952 and produced large-sized watches - from floor to alarm clocks ... And in 2004, this company was bought by some deft businessmen, who in a blink of an eye bankrupted the company: the watch industry was stopped, thousands were thrown into the street sold out, the property was leased to shopping centers, places of entertainment, and other commercial riffraff ... in general, like all other production throughout Russia ...
Mikhail Dmitrienko, especially for PRETICH.ru
2018 |
on October 22 2018 03:17:23
on February 29 2024 07:12:54
on July 09 2025 11:26:51