December 31 2025 11:18:19
Navigation
Latest Articles
· Витамин D3 и...
· Интерьерна...
· Что такое п...
· Что такое р...
· Чем прекра...
Articles Hierarchy
Articles Home » Телефоны, смартфоны, зарядки » ДС 2300 - DC2300 телефонный аппарат - схема
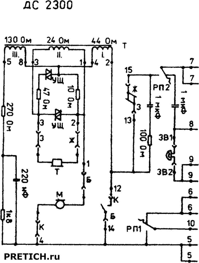
ДС 2300 - DC2300 телефонный аппарат - схема

Схемы ДС 2300 - DC2300 телефонные аппараты

 

Телефонные аппараты DC2300 компании Tesla советских времен, имели дисковый номеронабиратель, электромеханический зуммер - звонок (с регулировкой громкости), подключение осуществлялось тремя проводами.

 

Схема отечественного телефонного аппарата ДС 2300

 

Схема отечественного аппарата ДС 2300

 

* Схемы аналоговых телефонов, советских и импортных...

 

OCR и обработка М. Дмитриенко, Алма-Ата, 2006

При использовании материалов ссылка на наш сайт обязательна!

 

 

***

Comments
No Comments have been Posted.
Post Comment
Please Login to Post a Comment.
Login
Username

Password



Not a member yet?
Click here to register.

Forgotten your password?
Request a new one here.
Счетчики

Яндекс.Метрика
- Темы форума
- Комментарии
16,994,510 unique visits