|
|
|
INWIN IW-ISP300A3-1 PowerMan схема
|
| Watson |
Posted on 26-09-2016 15:37
|

Администратор

Posts: 208
Joined: 18.12.15
|
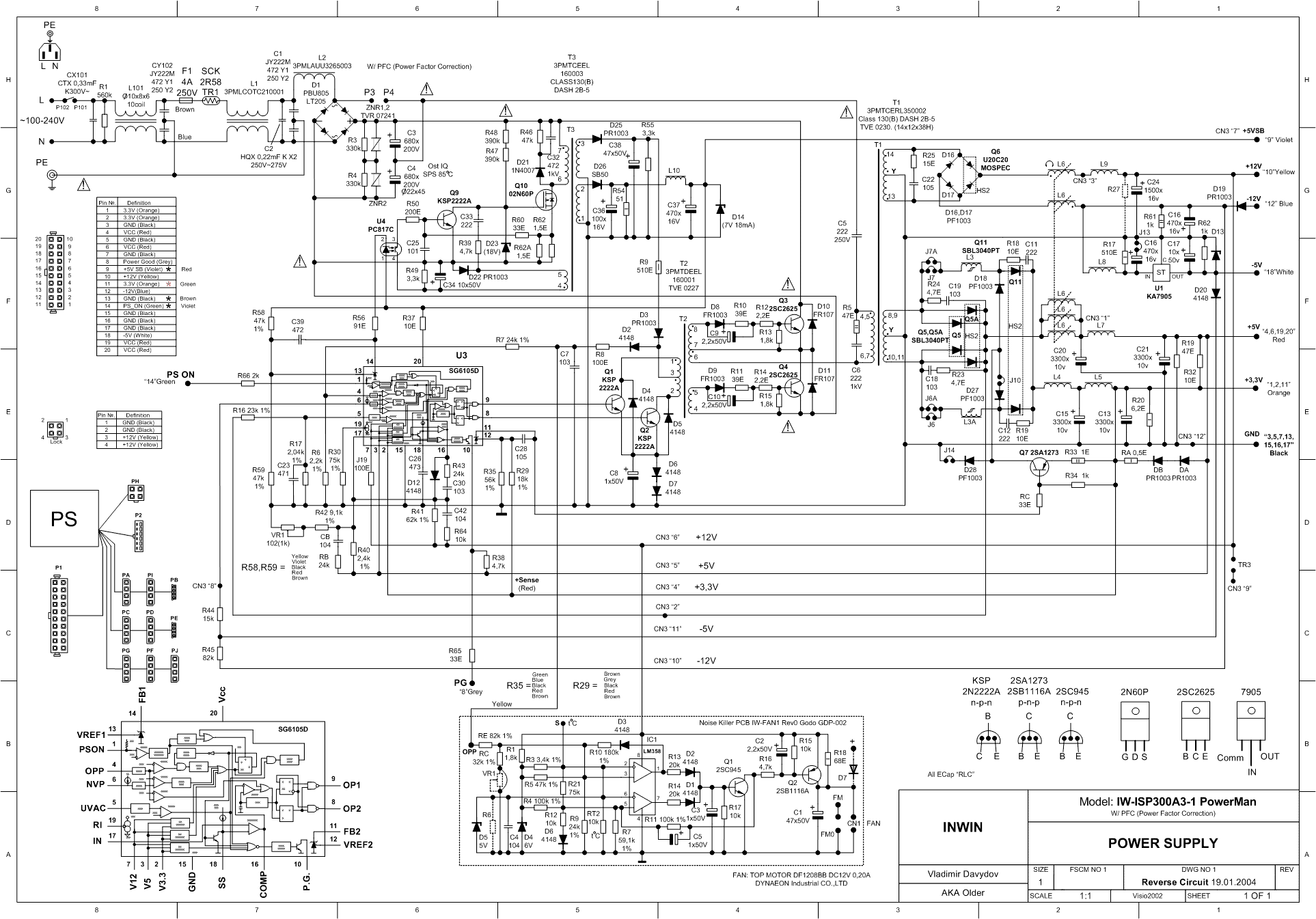
По просьбе одного знакомого выкладываю схему компьютерного блока питания INWIN IW-ISP300A3-1 PowerMan
Фото увеличивается, если щелкнуть по нему!
Watson attached the following image:
|
| |
|
|
| suomenfi |
Posted on 01-10-2016 16:21
|

Начинающий

Posts: 25
Joined: 22.06.15
|
Спасибо. Этот именно то мне нужное! |
| |
|
|
| mackowich |
Posted on 06-10-2016 03:25
|

Начинающий

Posts: 18
Joined: 29.03.14
|
А у вас случайно нет схемы на блок питания Crown CM-PS850 и UPS FSP Vesta 650 ? Был бы премного благодарен! |
| |
|
|
| Alex-007 |
Posted on 08-10-2016 06:02
|

Начинающий

Posts: 42
Joined: 23.05.15
|
На краун точно нигде не найдете. |
| |
|
|
| Nov26 |
Posted on 04-06-2021 06:35
|

Начинающий

Posts: 43
Joined: 20.05.20
|
оно вам надо самим ремонтировать компьютерные блоки питания? Есть же сервисы! Мастерские. Да и стоит ли дешевый БП затрат времени и усилий? |
| |
|
|
| Sport-xxxi |
Posted on 06-07-2021 12:53
|

Начинающий

Posts: 44
Joined: 10.06.21
|
Если проблема мелкая - что бы не попробовать самому отремонтировать? |
| |
|
Jump to Forum:
|
|
|
|
Not a member yet? Click here to register.
Forgotten your password? Request a new one here.
|
|